Leave Your Message

Name*

Phone number*

Email Address*

Country*

Message*

Annual Quantity*

Application*

122x32 Graphic LCD Display Module

COB Graphic LCD

122x32 Graphic LCD Display Module

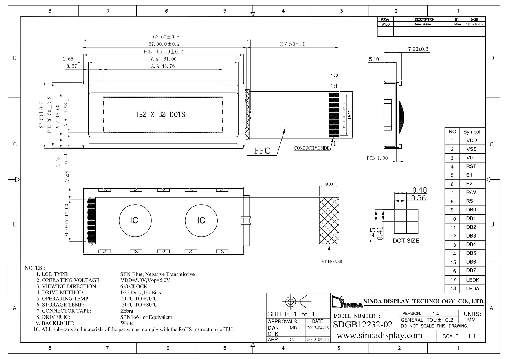
This is a monochrome 122x32 graphic LCD display module with a PCB board, featuring an outline size of 68.60(W) x 27.50(H) x 7.20(T) mm  and a viewing area size of 61.00x18.00 mm, delivering clear and concise graphic displays. This 122x32 graphic LCD display is built with the SBN1661 controller IC.It supports a 6800 8-bit parallel interface and defaults to a 5V power supply, with an optional version of the negative voltage generator for 3V. 

 

The 122x32 graphic LCD display module series comes with a PCB board, eliminating the need for customers to develop additional PCB boards themselves.Four screw holes are designed on the PCB to facilitate easy installation of the module on the application product. This 122x32 LCD module can operate at temperatures ranging from -20℃ to +70℃, with storage temperatures ranging from -30℃ to +80℃.

    Display Format Model No. Outline Dimension(mm) Viewing Area(mm) Active Area(mm) IC Interface
    122 x 32 SDGB12232-02 68.60 × 27.50 × 7.20 61.00 × 18.00 48.76 × 14.68 AIP31020 or Eqv. SPI
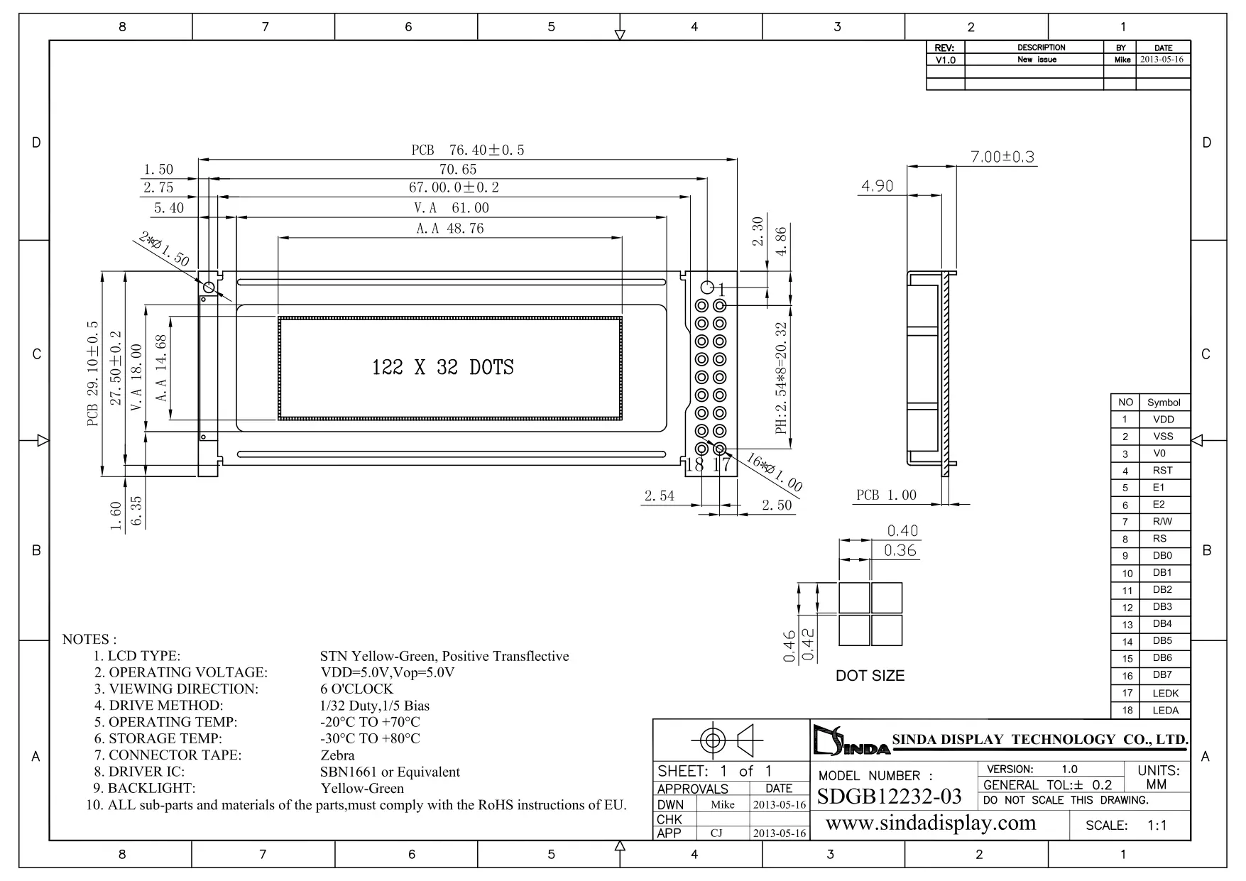
    SDGB12232-03 76.40 × 29.00 × 7.00 61.00 × 18.00 48.76 × 14.68 AIP31020 or Eqv. SPI
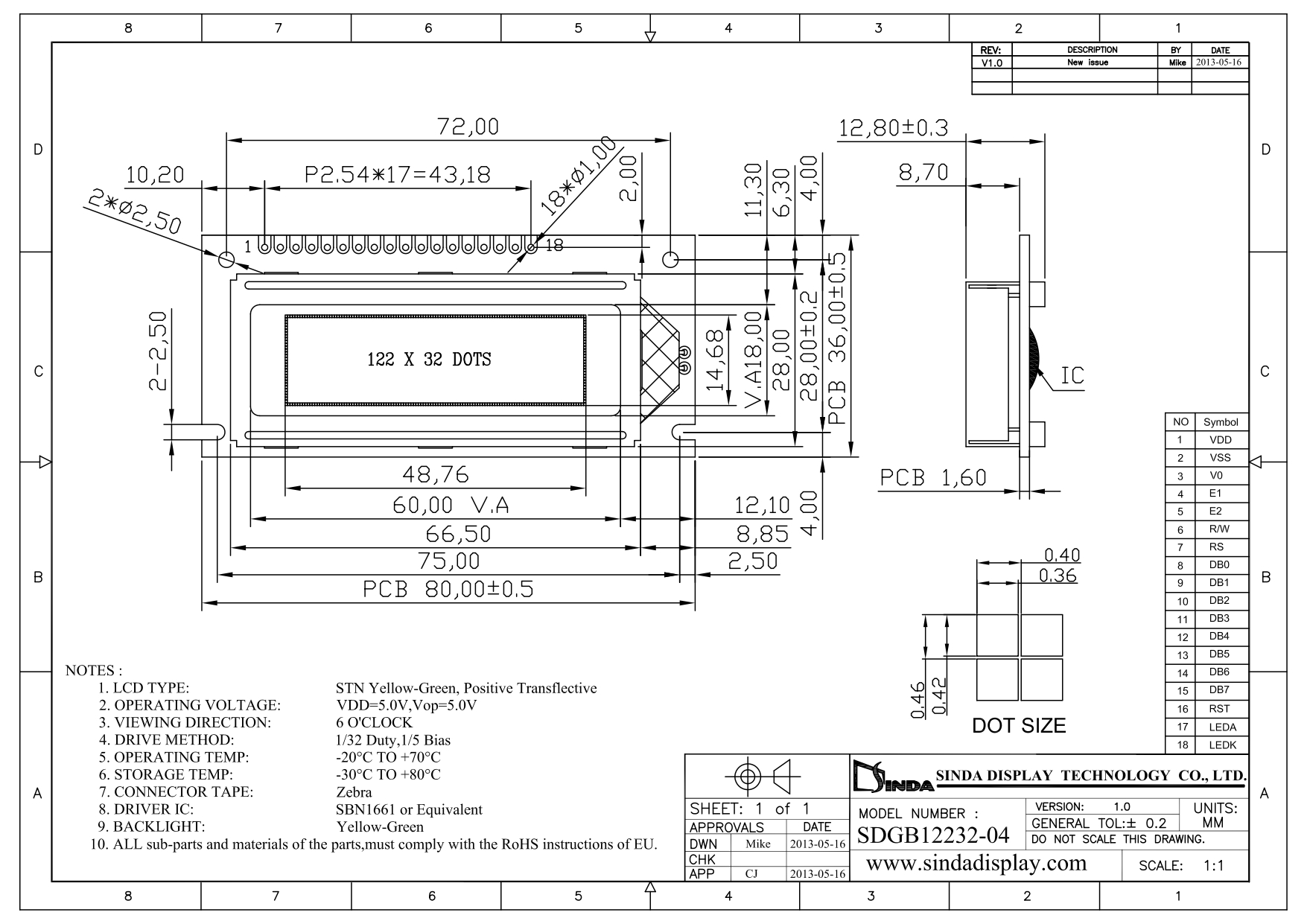
    SDGB12232-04 80.00 × 36.00 × 12.80 60.00 × 18.00 48.76 × 14.68 SBN1661 or Eqv.  Parallel
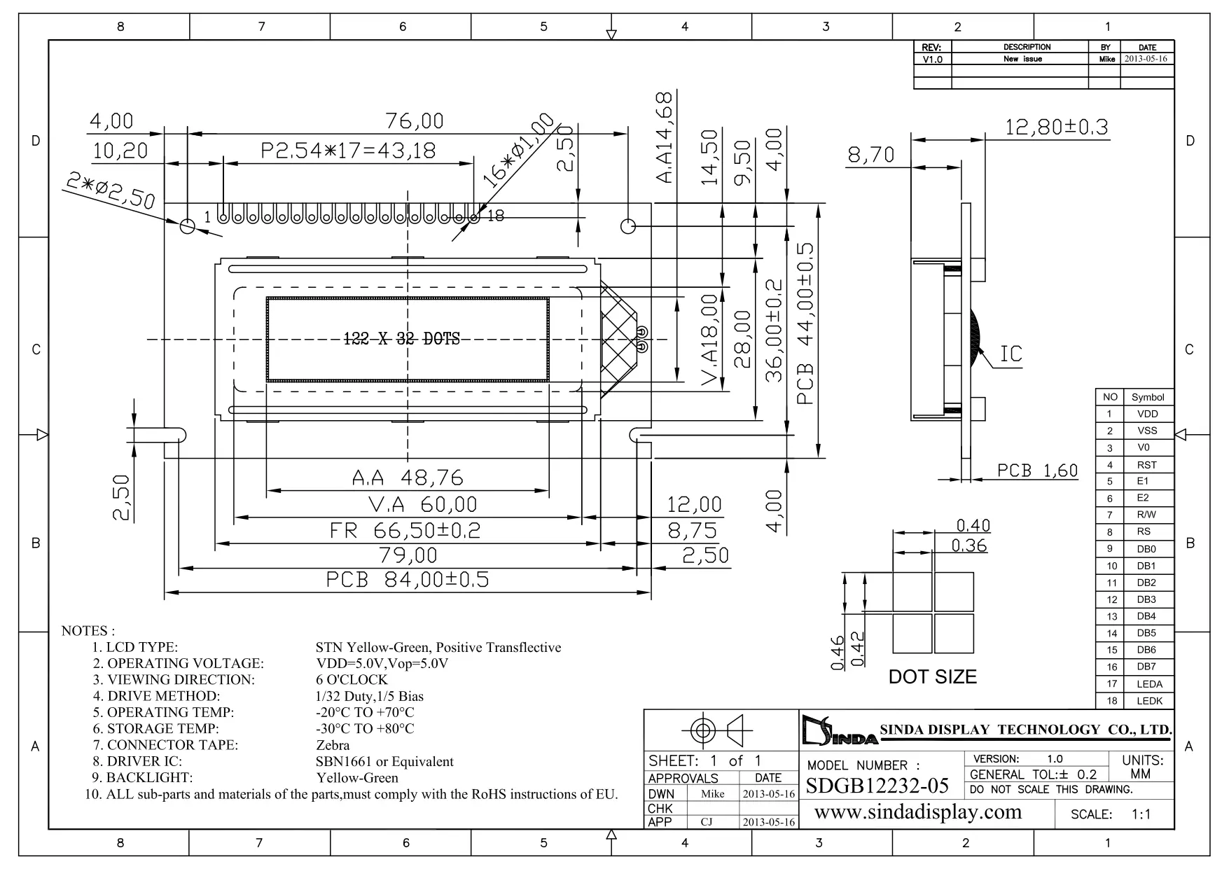
    SDGB12232-05 84.00 × 44.00 × 12.80 60.00 × 18.00 48.76 × 14.68 SBN1661 or Eqv.  Parallel
    SDGB12232-06 76.80 × 28.00 × 8.50 61.00 × 19.00 58.52 × 17.24 ST7920 or Eqv. SPI
    SDGB12232-07 80.00 × 36.00 × 14.20 60.00 × 18.00 53.64 × 15.64 SBN1661-M02 or Eqv.  Parallel
    SDGB12232-09 68.00 × 26.80 × 10.50 61.00 × 19.00 56.08 × 16.28 SBN1661-M18 or Eqv.  Parallel

    12232-02

    Manufacturer SINDA
    Part Number SDGB12232-02
    Display Format 122x32 dots
    Interface 8-bit Parallel
    IC or Equivalent SBN1661
    Connection FFC
    Outline Dimension 68.60(W)x27.50(H)x7.20(T)mm
    Visual Area 61.00x18.00mm
    Active Area 48.76x14.68mm
    Dot (Pixel) Size 0.36x0.41mm
    Dot (Pixel) Pitch 0.40x0.45mm
    IC Package COB
    Display Type FSTN /STN. Gray/Yellow-Green/Blue
    Viewing Direction 6:00/12:00
    Power Supply(Typ) 5.0V
    Operating Temperature -20℃~70℃
    Storage Temperature -30℃~80℃
    slide1

    12232-03

    Manufacturer SINDA
    Part Number SDGB12232-03
    Display Format 122x32 dots
    Interface 8-bit Parallel
    IC or Equivalent SBN1661
    Connection Pin Header
    Outline Dimension 76.40(W)x29.10(H)x7.20(T)mm
    Visual Area 61.00x18.00mm
    Active Area 48.76x14.68mm
    Dot (Pixel) Size 0.36x0.41mm
    Dot (Pixel) Pitch 0.40x0.45mm
    IC Package COB
    Display Type FSTN /STN. Gray/Yellow-Green/Blue
    Viewing Direction 6:00/12:00
    Power Supply(Typ) 5.0V
    Operating Temperature -20℃~70℃
    Storage Temperature -30℃~80℃
    slide1

    12232-04

    Manufacturer SINDA
    Part Number SDGB12232-04
    Display Format 122x32 dots
    Interface 8-bit Parallel
    IC or Equivalent SBN1661
    Connection Pin Header
    Outline Dimension 80.00(W)x36.00(H)x12.80(T)mm
    Visual Area 60.00x18.00mm
    Active Area 48.76x14.68mm
    Dot (Pixel) Size 0.36x0.42mm
    Dot (Pixel) Pitch 0.40x0.46mm
    IC Package COB
    Display Type FSTN /STN. Gray/Yellow-Green/Blue
    Viewing Direction 6:00/12:00
    Power Supply(Typ) 5.0V
    Operating Temperature -20℃~70℃
    Storage Temperature -30℃~80℃
    slide1

    12232-05

    Manufacturer SINDA
    Part Number SDGB12232-05
    Display Format 122x32 dots
    Interface 8-bit Parallel
    IC or Equivalent SBN1661
    Connection Pin Header
    Outline Dimension 84.00(W)x44.00(H)x12.80(T)mm
    Visual Area 60.00x18.00mm
    Active Area 48.76x14.68mm
    Dot (Pixel) Size 0.36x0.42mm
    Dot (Pixel) Pitch 0.40x0.46mm
    IC Package COB
    Display Type FSTN /STN. Gray/Yellow-Green/Blue
    Viewing Direction 6:00/12:00
    Power Supply(Typ) 5.0V
    Operating Temperature -20℃~70℃
    Storage Temperature -30℃~80℃
    slide1

    12232-06

    Manufacturer SINDA
    Part Number SDGB12232-06
    Display Format 122x32 dots
    Interface SPI
    IC or Equivalent AIP31020  ST7920
    Connection Pin Header
    Outline Dimension 76.80(W)x28.00(H)x8.50(T)mm
    Visual Area 61.00x19.00mm
    Active Area 58.52x17.24mm
    Dot (Pixel) Size 0.36x0.41mm
    Dot (Pixel) Pitch 0.40x0.45mm
    IC Package COB
    Display Type FSTN /STN. Gray/Yellow-Green/Blue
    Viewing Direction 6:00/12:00
    Power Supply(Typ) 5.0V
    Operating Temperature -20℃~70℃
    Storage Temperature -30℃~80℃
    slide1
    0102030405
    Q: How do you manage product quality?
    A: The products are baked, aging, electrical measurement and other procedures for testing. We are ISO 9001 and ROHS certified, providing 100% quality assurance to our customers. We will be responsible for any quality problems.

    Q: Are you a manufacturer?
    A: Yes. Sinda Display is an LCD manufacturer with more than 20 years experience.

    Q: Do you have MOQ limit?
    A: We support small batch orders and samples are delivered on time

    Q: What is your shipping method?
    A: EMS, UPS, FedEx, other land and air transportation.

    Q: Can you offer customization service?
    A: Yes. OEM and ODM acceptable. 
    · Drawing Design and confirm (2-3 days)
    · Sample Development (12-15 days)
    · Mass Production (25-35 days)
    · After-Sales Service (Life-time support)

    Q: Could you give me a competitive price?
    A: Of curse. We looking forward to a long term relationship with you.

    Q: What test is done to LCD?
    A: Standard tests and control includes
    ·100% Electrical test (that test for operating voltage, logic of display)
    ·Dimensional and cosmetic inspection including viewing angle
    ·Sample inspection using thermal, thermal cycle, and humidity

    Q: Is there a Touch Panel (Touch screen) on the display ?
    A: We can offer you the Resistive Touch Panel or Capacitive Touch Panel if you need.

    Q: Is there a possibility to make a more brighter display?
    A: Yes, please share us more details about the project requirements, and we will try to find a Solution and Customized high brightness backlight for you.

    Q: How can i find the right product?
    A: Please send us your requirements, we will recommend our standard products, if it’s not fit, we will do the necessary adjustment & customization.

    Q: Can you provide drawings and related procedures?
    A: We can provide drawings and procedures for customers to confirm.

    Our Factory

    Company advantages

    Customized LCD Display Process

    • 1project_arr
      Step 1
      Drawing Design and Confirm
    • 2project_arr
      Step 2
      Sample Development
    • 3project_arr
      Step 3
      Sample Confrmed
    • 4project_arr
      Step 4
      Mass Production
    • 5project_arr
      Step 5
      Shipping
    • 6project_arr
      Step 6
      After-Sales Service
    • 7
      Step 7
      Users Usage Follow-up

    Custom Display Solutions

    Customized Display Solutions for Financial Equi...
    Customized Displays for Instrumentation Solutions
    Customized Displays for Medical Applications
    Custom Transparent LCD Displays
    Customized Displays for Vehicle Dashboards
    Customized Displays for Fuel Dispensers
    Customized Displays for Engine Controllers
    Custom Visual Doorbell LCD Displays
    Customized Elevator LCD Displays
    Custom Segment Code Screens for Clocks
    Customized Meter Glass Solutions
    qq

    Company Profile